Leerdoelen:
- Je leert wat bezinken, filtreren, centrifugeren en extraheren is en hoe je het toepast ✅ 2024-04-10
- Je leert wat hoe je met rendement (SK) rekenen. ✅ 2024-04-10
- Je leert wat indampen is en hoe je het toepast ✅ 2024-04-10
- Je leert wat destilleren is en hoe je het toepast ✅ 2024-04-10
- Je leert wat adsorberen is en hoe je het toepast ✅ 2024-04-10
- Je leert wat chromatografen is en hoe je het toepast ✅ 2024-04-10
- Je leert wat oplosbaarheid is, wat het verband is met tempratuur en hoe je rekent met oplosbaarheid ✅ 2024-04-11
- Je leert hoe je berekeningen uitvoert met gehalte en percentage. ✅ 2024-04-11
Alle Scheidingsmethoden in een tabel
| Naam Mengsel | Helder/troebel | Bestaat uit een … in een … | |
|---|---|---|---|
| 1) | oplossing | helder | (s) in (l)/(l) in (l)/(g) in (e) |
| 2) | suspensie | troebel | Vaste stof in een vloestof |
| 3) | emulsie | troebel | Twee Vloeistoffen die niet goed mengen |
| 4) | rook | troebel | (s) in (g) |
| 5) | nevel | troebel | (l) in (g) |
| 6) | schuim | troebel | (g) in (e) / (g) in (s) |
| (s) = vast | |||
| (l) = vloeibaar | |||
| (g) = gasvormig |
Samenvatting H5-20240409201519524.webp
| Scheidingsmethoden | Berust op het verschil in … | Geschikt voor… |
|---|---|---|
| bezinken | dichtheid | suspensie / emulsie |
| centrifugeren | dichtheid | suspensie / emulsie |
| filtreren | deeltjesgrootte | suspensie |
| extraheren | oplosbaarheid in het extractiemiddel | Mengsel van vaste stoffen |
| indampen | kookpunt | oplossing (s) in (l) |
| destilleren | kookpunt | oplossing (l) in (l) |
| adsorberen | aanhechtingsvermogen aan adsorbsiemiddel | oplossing / mengsel |
| chromatografen | Aanhechtingsvermogen aan stationaire fase en oplosbaarheid in de mobiele fase | oplossing |
De eerste en misschien wel meest simpele manier van scheiden is bezinken
Bezinken
bezinken is een scheidingsmethode waarbij je een suspensie of emulsie laat staat zodat ze vanzelf scheiden.
Link to original
Centrig
centrifugeren is een scheidingsmethode om twee stoffen te laten scheiden bij een emulsie of suspensie . Je doet het door het heel hard te laten rondraaien. Hierdoor gaat het gedeelte met een grotere dichtheid omlaag en de lagere dichtheiden omhoog. Dit is vaak sneller en soms wel eens de enige manier.
Voorbeeld
Als je bloed wilt scheiden in:
Link to original
- Witte bloedcellen
- Plasma
- Rode bloedcellen Dan kan dan niet door bloed te laten bezinken om dat het dan zal stollen. Dus dan is centrifugeren de enige optie.
Filtreren
filtreren is een scheidingsmethode waarbij je gebruik maakt in het verschil in deeltjesgrootte. Dit doe je bijvoorbeeld door een mengsel door een filter te filtreren dat zal de stof met grotere deeltjesgrootte in de filter achterblijven dit noem je dan het residu. Wat door de filter heen is noem je het filtraat.
Link to original
Meestal lukt het niet altijd om bij een scheidingsmethode een stof 100% te scheiden het succesvol scheiden van een stof noem je het rendement (SK) en dat bereken je uit als voolgd:Extraheren
extraheren is een scheidingsmethode waarbij je gebruik maakt met wat voor stoffen de stof mee kan oplossen.
Voorbeeld
Als je muntthee maakt dan stop je muntbladen in water. Het water mengt samen met de stoffen in munt. Dit is een voorbeeld van extraheren.
Link to original
Transclude of rendement-(SK)
§5.2 Indampen en Destilleren
Indampen
indampen is een heel simpel concept. Het betekent een stof van een andere stof scheiden door de stof met een lager verdampingspunt te laten verdampen. Waardoor de andere stof niet verdampt en gewoon. Dit wordt vaak gebruikt bij een oplossing.
Voorbeeld
Link to original
Hier is water en alchool in gemengd. Als je het opwarmt blijft alleen nog maar de water over omdat de alchool verdampt bij 78,4 graden.
Destilleren
1 = 2 = 3 = 4 = 5 = 6 = 7 = 8 = 9 =
Dit is een een Destillatieopstelling. Hiermee kan je stoffen destilleren. Dit betekent dat je een stof verdampt de damp er van opvangt en die damp dan weer afkoelt. Het deel wat niet verdampt noem je de residu. En het gedestilleerde stof noem je het destillaat.
Antwoord: destilleren-20240410180436424.webp
Link to original
Adsorberen
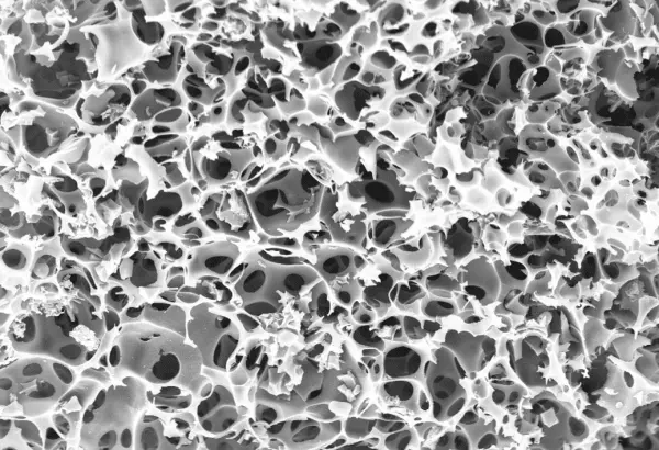
Als je een gasmasker opdoet hoe zorgt die gasmasker dat die stoffen blokkeert? Dat doet die door een scheidingsmethode genaamd adsorberen. Het absorberen van een stof is heel simpel. Je hebt een gas bijvoorbeeld zuurstof en mosterdgas. Je laat dat door een stukje kool heen stromen. En het kool zal de mosterdgas deeltjes opvangen en de zuurstof doorlaten. Hoe blijft een deeltje vast in een stuk actieve kool. Hier zijn 2 foto’s eentje een echte afbeelding en de andere een wat simpelere illustratie:
Link to originalDe moleculen van mosterd gas gaan letterlijk in de actieve kool als een soort puzzelstukje in een puzzel. In dit voorbeeld is de actieve koolstof een adsorptiemiddel. Je maakt bij het scheiden gebruik van het verschil in aanhechtingsvermogen
Chromatograferen
Papierchromatografie
chromatografen is e en scheidingsmethode waarbij je stoffen op een basislijn op papier zet. En dat papiertje zet je in een vloeistof die dan naar boven stijgt. Hierbij kijk je dan hoe ver de stof heeft verplaats. Hoe hoger de stof komt hoe lager de hectingswaarde (want de deeltjes blijven niet vast aan het papier).
chromatografen is een scheidingsmethode waarbij je gebruikt maakt van het verschil in oplosbaarheid en aanhechtingsvermogen. Hierbij kan je de R_f waarde te berekenen daarbij bereken je hoe ver een puntje vanaf de basislijn tot dit punt nu is. De R_f waarde is een komma getal. A=Hoogste begin van basislijn tot hoogstepunt B=Basislijn tot totaal
Dunnelaagchromatografie
In plaats van papier gebruik je een glazenplaat bedekt met silicagel.
Gaschromatografie
Gaschromatografie vind plaats in een lange dunne buis waarbij je gas er door heen spuit waardoor de stoffen met een hogere hechtingswaarde langer in de buis blijven. En de stoffen met een lagere hechtingswaarde er als eerst uitkomen.
Link to original
Oplosbaarheid
Oplosbaarheid wat is het?!
Oplosbaarheid is hoeveel stof in een andere stof is opgelost. er is maar een maximaal aantal stof dat je in een andere stof kan oplossen. Als een oplossing hebt waarbij de maximaal hoeveelheid stof is opgelost noem je dat verzadigde oplossing. Is er minder dan maximaal noem je het onverzadigde oplossing.
Link to original
Gehalte
gehalte is hoeveel stof gemengd met andere stof hoeveel gram er van een stof in een andere stof zit in procent. Dit is heel simpel je kan al percentage rekenen. Dat maar dan met volume en massa LET OP dat het deel en totaal in dezelfde eenheid is. $$$$\text{volume percentage}=\frac{ \text{volume gevraagde stof}}{\text{volume totale mengsel}}*100%$$
Link to original

Hier is water en alchool in gemengd. Als je het opwarmt blijft alleen nog maar de water over omdat de alchool verdampt bij 78,4 graden.

De moleculen van mosterd gas gaan letterlijk in de actieve kool als een soort puzzelstukje in een puzzel. In dit voorbeeld is de actieve koolstof een
